プレスリリース

スイッチング損失を他社同等品と比べ20%以上低減* 車載向け高圧3相モータ用ドライバ「SAM265M50AS3」

2025年10月17日(金)11時00分
サンケン電気株式会社(埼玉県新座市北野3-6-3)は、高圧3相モータ用ドライバ「SAM2シリーズ」のうち、「SAM265M50AS3」の量産を開始しました。


■製品概要
SAM2シリーズは、出力スイッチング素子、プリドライバ、制限抵抗付きブートストラップダイオード、サーミスタなど、3相モータを制御するために必要なデバイスを集約したオールインワンタイプの製品です。
基板面積の小型化や、高圧回路設計の簡易化に貢献します。

今回量産したSAM265M50AS3は、車載用途に対応した最大定格650 V/50 Aの製品です。
他社同等品と比較して、スイッチング損失を20%以上低減しました*(条件:TJ = 125 ℃、IC = 50 A)。これによりIPMの温度上昇を抑えられるため、熱設計の自由度が向上します。
さらに、絶縁耐圧は2500V(1分)を保証、ジャンクション温度は175℃を保証しています。車載規格のAQG324にも準拠した安全性の高い製品です。
また、高精度の温度検出機能により、実動作の温度範囲の拡大や、モータシステムの品質向上に貢献します。

電動車(xEV)などの高圧補機システム(電動コンプレッサ、電動ウォーターポンプ、電動オイルポンプなど)に最適です。

*2025年10月現在 当社調べ

詳細URL: https://www.semicon.sanken-ele.co.jp/newproduct/#P-66217

画像1: https://www.atpress.ne.jp/releases/550662/LL_img_550662_1.png
SAM265M50AS3

■製品外観
パッケージ名称:DIP30(LF2540/LF2541)
(ボディーサイズ:52.5 mm × 31 mm × 5.6 mm)

画像2: https://www.atpress.ne.jp/releases/550662/LL_img_550662_2.png
製品外観 DIP30パッケージ

■SAM2シリーズ ラインアップ

画像3: https://www.atpress.ne.jp/releases/550662/LL_img_550662_3.png
SAM2シリーズ ラインアップ

■用途
電動車(xEV)の高圧補機システムの3相モータ駆動
● 電動コンプレッサ
● 電動オイルポンプ
● 電動ウォーターポンプ など


■特徴
● 小型DIP30パッケージ
● 高い温度検出精度
● 低損失
● AQG324準拠
● Pbフリー(RoHS対応)
● 絶縁耐圧2500V(1分)保証
● ジャンクション温度175℃保証
● サーミスタ内蔵
● ブートストラップダイオード内蔵
● CMOS(3.3 V、5 V系)入力レベル対応
● エラー信号出力(保護回路動作時)
● シャットダウン信号入力
● 過電流保護保持時間調整可能
● 保護機能
-電源電圧低下保護機能
VBx端子(UVLO_VBx) :自動復帰
VCCL端子(UVLO_VCCL):自動復帰
-過電流保護機能(OCP) :自動復帰


■低スイッチング損失
従来製品(低ノイズ品)からスイッチング速度を向上させ、スイッチング損失を低減しました。
他社同等品と比較すると、スイッチング損失を20%以上低減しました*(条件:TJ = 125 ℃、IC = 50 A)。
*2025年10月現在 当社調べ

画像4: https://www.atpress.ne.jp/releases/550662/LL_img_550662_4.png
スイッチング損失を低減

■オールインワンでコンパクト
基板上に直接チップなどの部品を搭載できるDBC(Direct Bonding Copper)構造を採用することで、パワーチップを高密度で実装しています。温度検出用のサーミスタも内蔵しています。
パッケージは小型化しつつも、空間距離や沿面距離は十分な距離を確保し、信頼性を維持しています。
車載用途の安全性を重視し、VCC端子とOCP端子がGND端子と隣接しないように端子配置を考慮しています。
また、お客様の要求に幅広く対応するため、外部端子の長さは2種類から選択していただけます。

画像5: https://www.atpress.ne.jp/releases/550662/LL_img_550662_5.png
複数の構成部品を1パッケージ化したオールインワン型IPM

■高精度の温度検出
リードフレーム上ではなく、パワーチップと同じDBC基板上に温度検出用のサーミスタを設置しています。
これにより、高精度の温度検出と、急激な温度変化に対する高い追従性を実現しました。
感度良く駆動素子の異常温度を検知できるため、実動作の温度範囲の拡大や、モータシステムの品質向上に貢献します。

画像6: https://www.atpress.ne.jp/releases/550662/LL_img_550662_6.png
高精度の温度検出を実現

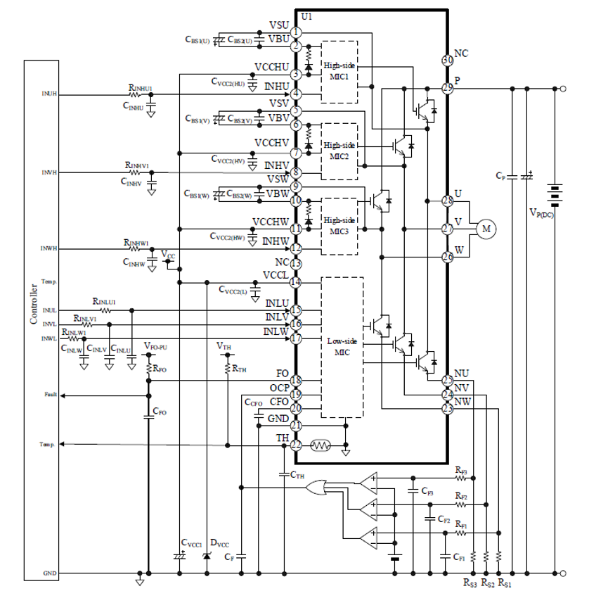
■応用回路例
3シャント検出方式

画像7: https://www.atpress.ne.jp/releases/550662/LL_img_550662_7.png
応用回路例(3シャント検出方式)

■会社概要
社名 : サンケン電気株式会社
代表者 : 代表取締役社長CEO 高橋 広
所在地 : 〒352-8666 埼玉県新座市北野三丁目6番3号
設立 : 1946年9月5日
事業内容: 電子部品、デバイス、電子回路の製造および販売
電気機械器具の製造および販売
前各号に付帯する一切の業務
資本金 : 20,896,789,680円
URL : https://www.sanken-ele.co.jp/


詳細はこちら
プレスリリース提供元:@Press
あわせて読みたい
ニュース速報

ビジネス

S&P、フランスを「Aプラス」に格下げ 財政再建遅

ワールド

中国により厳格な姿勢を、米財務長官がIMFと世銀に

ワールド

トランプ氏、ウクライナ大統領と会談 トマホーク供与

ビジネス

NY外為市場=ドル、週間で対円・スイスフランで下落
あわせて読みたい
MAGAZINE
特集:日本人と参政党
特集:日本人と参政党
2025年10月21日号(10/15発売)

怒れる日本が生んだ「日本人ファースト」と参政党現象。その源泉にルポと神谷代表インタビューで迫る

メールマガジンのご登録はこちらから。
人気ランキング
  • 1
    【クイズ】日本でツキノワグマの出没件数が「最も多い県」はどこ?
  • 2
    日本で外国人から生まれた子どもが過去最多に──人口減少を補うか
  • 3
    お腹の脂肪を減らす「8つのヒント」とは?...食事以外の「2つの隠れた要因」が代謝を狂わせていた
  • 4
    【クイズ】世界で2番目に「金の産出量」が多い国は?
  • 5
    【クイズ】サッカー男子日本代表...FIFAランキングの…
  • 6
    疲れたとき「心身ともにゆっくり休む」は逆効果?...…
  • 7
    「認知のゆがみ」とは何なのか...あなたはどのタイプ…
  • 8
    大学生が「第3の労働力」に...物価高でバイト率、過…
  • 9
    間取り図に「謎の空間」...封印されたスペースの正体…
  • 10
    ビーチを楽しむ観光客のもとにサメの大群...ショッキ…
  • 1
    お腹の脂肪を減らす「8つのヒント」とは?...食事以外の「2つの隠れた要因」が代謝を狂わせていた
  • 2
    まるで『トップガン』...わずか10mの至近戦、東シナ海で「中国J-16」 vs 「ステルス機」
  • 3
    中国人が便利な「調理済み食品」を嫌うトホホな理由とは?
  • 4
    フィリピンで相次ぐ大地震...日本ではあまり報道され…
  • 5
    ベゾス妻 vs C・ロナウド婚約者、バチバチ「指輪対決…
  • 6
    悲しみで8年間「羽をむしり続けた」オウム...新たな…
  • 7
    時代に逆行するトランプのエネルギー政策が、アメリ…
  • 8
    「中国のビットコイン女王」が英国で有罪...押収され…
  • 9
    かばんの中身を見れば一発でわかる!「認知症になり…
  • 10
    【クイズ】日本でツキノワグマの出没件数が「最も多…
  • 1
    かばんの中身を見れば一発でわかる!「認知症になりやすい人」が持ち歩く5つのアイテム
  • 2
    「大谷翔平の唯一の欠点は...」ドジャース・ロバーツ監督が明かすプレーオフ戦略、監督の意外な「日本的な一面」とは?
  • 3
    カミラ王妃のキャサリン妃への「いら立ち」が話題に...「少々、お控えくださって?」
  • 4
    増加する「子どもを外注」する親たち...ネオ・ネグレ…
  • 5
    悲しみで8年間「羽をむしり続けた」オウム...新たな…
  • 6
    バフェット指数が異常値──アメリカ株に「数世代で最…
  • 7
    「日本の高齢化率は世界2位」→ダントツの1位は超意外…
  • 8
    お腹の脂肪を減らす「8つのヒント」とは?...食事以…
  • 9
    【クイズ】日本人が唯一「受賞していない」ノーベル…
  • 10
    数千円で買った中古PCが「宝箱」だった...起動して分…
トランプ2.0記事まとめ
日本再発見 シーズン2
CHALLENGING INNOVATOR
Wonderful Story
MOOK
ニューズウィーク日本版別冊
ニューズウィーク日本版別冊

好評発売中